Phono-Verstärker für B750 MK II
Neuentwicklung
Warum nicht für den Revox B750 (MK I)? Nun, die Version ohne MK bzw. MK I hat den Entzerrvorverstärker auf der Input-Platine integriert. Da passt diese steckbare Version einfach nicht! Der Phono-Vorverstärker in der Revox B750 ist hervorragend und oft unterschätzt. Leider sind die Zuleitungen im Gerät mit insgesamt 1,6 m pro Kanal dem Klang nicht sonderlich zuträglich. Hier in kapazitätsarme Kabel zu investieren oder den Impedanzschalter und den Pegel-Steller nach hinten zu verlegen, ist eine gute Sache.
Optimierungen
behutsam aber effektiv
Wir haben nur behutsam die Schaltung bauteiltechnisch optimiert. So haben wir die zwei Dioden durch eine LED ersetzt und den resultierenden Strom durch eine Änderung des Widerstandes angepasst. Im Signalweg, wo es geht, haben wir auf Elkos verzichtet, die Spannungsversorgung kanalgetrennt gepuffert, breite und 70 µm dicke Leiterbahnen verlegt. Alle Kondensatoren im Signalweg, die nicht komplett durch Folienkondensatoren ersetzt werden konnten, erhalten hochwertige Folien-Bypasskondensatoren ...
Die Schaltung ist Revox geblieben, die Optimierungen von Premium-Hifi!
Die Elektronik
Die Schaltung, das Konzept ist Original Revox
Schaltplan
Die zugrunde liegende Schaltung ist das Original von Revox geblieben. Der Phono-Vorverstärker ist schon sehr gut! Von 20 Hz bis 20 kHz liegt der Fehler des Pegels in einem Bereich von max. 0,5 dB. Das ist sehr gut. Wir haben dennoch einige Verbesserungen an der Schaltung vorgenommen. Die Leiterbahnen sind auch hier statt 35 µm jetzt 70 µm dick und sehr breit.
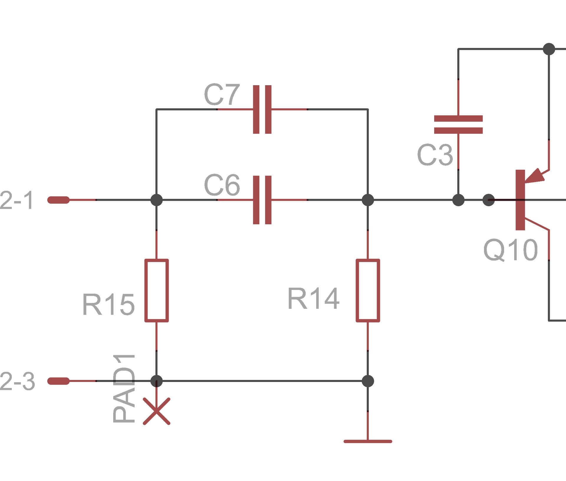
Emitterwiderstand
Für den Eingangstransistor, die Eingangstransistoren wurde der Emitterwiderstand gesplittet und über einen weiteren Kondensator nochmals geglättet. Das beruhig die Emitterspannung nochmals auf die der Basis mit dem Eingangssignal arbeitet. Für den Arbeitspunkt der Eingangstransistoren spielt die Teilung gar keine Rolle! Die Grenzfrequenz des Tiefpasses liegt bei etwa 1 Hz und ist ausreichend niedrig.
LED
Statt zwei Dioden in Reihe verwenden wir lieber rauschärmere LEDs. Mit einem Vorwiderstand von 68 kOhm hat die LED einen Spannungsabfall von ca. 1,6 V statt 1,4 V der beiden Dioden. Obwohl der Vorwiderstand mit 68 kOhm recht groß ist, sieht man die LEDs gut leuchten! Der Kollektorwiderstand muss neu berechnet werden.
Pufferung
der Betriebsspannung.
Die Plus-Minus-Spannung wird für jeden Kanal getrennt gepuffert. Das sind dann 4 Elkos, 4 Widerstände, 4 Bypässe und 2 Kondensatoren direkt am Eingang der +/- Spannung. Die Stromaufnahme der Schaltung liegt etwa bei 10 mA pro Kanal. Wir haben die Elkos mit 47 µF großzügig dimensioniert.
Bypasskondensatoren
Wenn wir die Koppelkondensatoren nicht als Folienkondensatoren ausführen können, dann sind für uns Folien-Bypasskondensatoren obligatorisch. Auch dann, wenn die Koppelkondensatoren nicht als Elkos ausgeführt sind. Auch noch so gute COG-Keramik-Kondensatoren sind für den Audiobereich nicht die beste Wahl. Aber immer noch besser als Elkos!
Das alles geht schon Richtung "High-End".
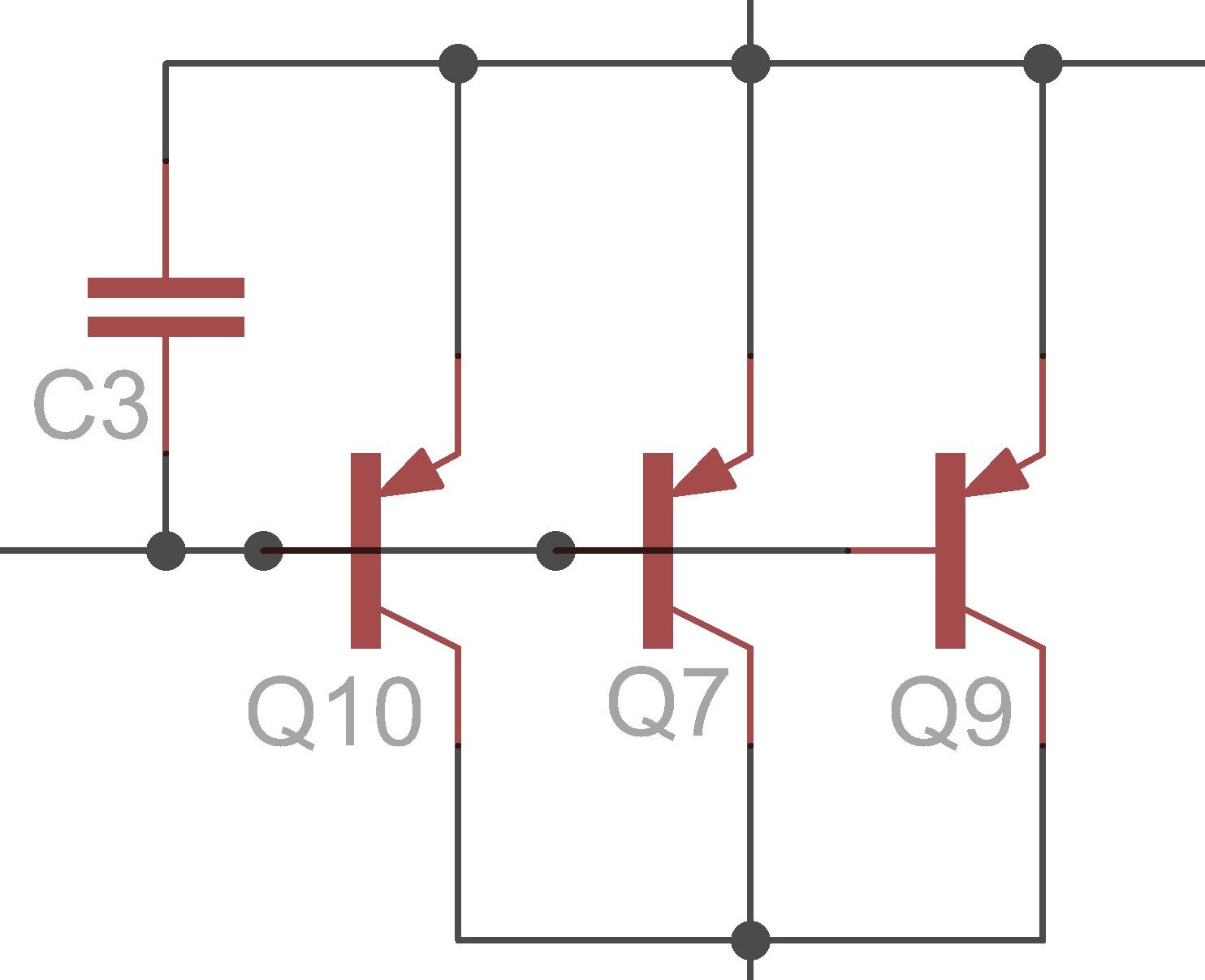
3 Eingangstransistoren
Um einen möglichst kleinen Basis-Emitter-Widerstand zu erhalten, haben wir drei rauscharme Transistoren parallel geschaltet. Durch die Parallelschaltung wird der B-E-Widerstand gedrittelt und somit das Eingangsrauschen um nicht ganz 1/3 reduziert. Sicherlich ist die Innenverkabelung die Störquelle schlecht hin, dennoch wollen wir in der neuen Schaltung alles Optionen war nehmen, was möglich ist!
Das Layout
Die Leiterplatte
Alles passt auf die neue Leiterplatte. Viel Platz, obwohl SMD, gibt es nicht mehr. Die 4 zusätzlichen Elkos, mit deren Beschaltung, aber auch die parallel geschalteten Transistoren und die vielen Bypässe brauchen Ihren Platz! Bei den neuerenn Leiterplatten sind die Bahnen rund verlegt!
Leiterbahnen
Auch hier sind die Leiterbahnen sehr breit und 70 µm dick. Die Kanäle sind durch die Versorgungsleitungen getrennt. Auch die Masseflächen auf der L-Seite sind für die Kanäle getrennt ausgeführt. Natürlich sind wir auch den Vorgaben des Verstärkers gebunden. Die Anschlüsse und die Abmessungen können wir nicht ändern. Warum auch!
Entzerr-Phono-Vorverstärker
für alle Revox B750 MK II finden Sie bei uns im Shop









