Studer A101
Warum wir jetzt auch?
Im Internet grassieren die wildesten Geschichten zu dieser doch primitiven Hybrid-Schaltung Studer A101!
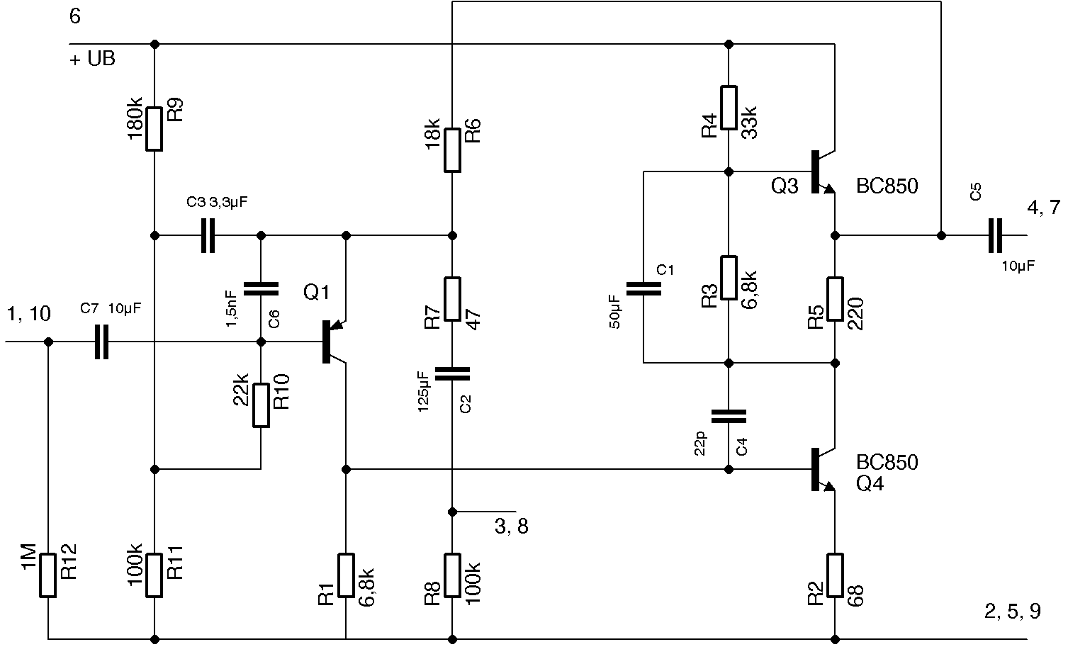
Die Schaltung besteht aus einem einfachen Differenz-Eingangsverstärker ohne Stromquelle, Stromspiegel oder Sonstiges und einer Treiber-Ausgangsstufe.
Insgesamt besteht die Schaltung aus 4 Transistoren, 5 Widerständen und im Original mit 1 Tantalkondensator mit 10µF. Alles kein Hexenwerk, sollte man meinen!
Wir haben die Schaltung wie normal üblich "plus nach oben, minus nach unten" dargestellt. Bei Studer ist die Schaltung anderes herum gezeichnet! Die Ausgangsstufe ist schon von der Revox A77 Inputplatine bekannt und keine speziell für die A101 entwickelte Schaltung. Die Bezeichnung der Transistoren BC 850 oder BC 860 beruhen auf unserer SMD-Bestückung!
Die feste Gegenkopplung mit 18 kOhm und die Stromgegenkopplung mit R2, sowie die einfache Eingangsstufe der Revox A77 ist eine andere, sonst haben sich nur ein paar Bauteilwerte der Ausgangsstufe geringfügig geändert.
Bei der Studer A101 muss die Gegenkopplung über die Anschlüsse X2-5 und X2-8 extern eingestellt werden.
Neues Lötverfahren
Bauteile werden gekühlt und nur noch eine Sekunde gelötet!
Da wurde doch tatsächlich behauptet, dass die Transistoren beim Löten gekühlt werden und die Lötung pro Pin maximal nur eine Sekunde dauert. Hut ab, wir staunen Bauklötze!
Zitat:
die durch eine aufwendige Fertigungstechnik zur Vermeidung der thermischen Belastung der Bauteile beim Löten verarbeitet werden, z. B. werden die Transistoren in einer gekühlten Vorrichtung gelötet, die Widerstände auf Abstand mit 5mm Drahtlänge.
Alle Bauteile sind von Hand gelötet mit einer maximalen Lötzeit von 1 sec pro Lötstelle.
Der Erfolg des Aufwandes ist, daß die verwendeten Bauteile ihre hervorragenden technischen Daten behalten und somit das Modul die bestmögliche Qualität erhält.
Die Prints sind voll professionell gefertigt.
Zitat Ende:
Wir als Elektroniker haben gelernt:
1) dass die Lötstelle (das Lötauge und der Anschluss des Bauteils) mit dem Lötkolben für eine oder eineinhalb Sekunden vorgewärmt wird.
2) danach der Eintrag des Lötzinns (mit Flussmittel in der Seele) in die Lötstelle erfolgt. Dabei wird nicht der Lötkolben mit dem Lötzinn benetzt, sondern das Lötauge und der Anschlussdraht des Bauteils. Das kann durchaus noch mal eine bis zwei Sekunden dauern!
3) nach drei bis vier Sekunden, nachdem das Lötzinn gut verlaufen ist, wird der Lötkolben entfernt und damit der Wärmeeintrag in die Lötstelle beendet.
Wenn Sie jetzt hören, da wird maximal nur eine Sekunde pro Lötstelle gelötet - Finger weg - Sie bekommen nur kalte Lötstellen, eiskalte Lötstellen!
Solche Prints sind auch nicht professionell gefertigt, das hat mit professionellem Löten gar nichts zu tun - das ist nur Murks!
Es gibt viele, sehr viele Möglichkeiten, die Schaltung besser zu machen.
Statt des Emitterwiderstandes mit 43,2 kOhm könnte man eine hochwertige, rauscharme Stromquelle mit Leuchtdiode, Transistor und Widerstand verwirklichen.
Im Kollektorzweig könnte man ein Stromspiegel aus zwei weiteren Transistoren einbauen.
In der Spannungsversorgung, schließlich haben die Eingangsstufe und die Ausgangsstufe zwei getrennte positive Spannungsanschlüsse, zwei Blockkondensatoren einsetzen.
Hier jetzt mit der thermischen Belastung beim Löten anzufangen, bleibt uns ein Rätsel?
Und dann noch so ein Blödsinn über das Internet verbreiten ....
Des Weiteren klingen die Studer A62, Studer B62 und Studer A80 nicht nur so gut, weil rauscharme Hybridbausteine eingesetzt wurden! Wäre diese Position so entscheidend, hätte man auch 1970 anderes verwenden können. Das ganze Konzept der Tonbandgeräte ist für die hohe Qualität verantwortlich, da sind die Hybridmodule A101 nur sehr bedingt dran beteiligt. Dennoch wollen wir die Qualität der Geräte nicht herabsetzen und haben uns unsere Gedanken dazu gemacht!
Bedrahtet
warum?
Will man wirklich was tun, um das Rauschen zu minimieren, warum dann bedrahtete Bauteile?
SMD-Bauteile haben nicht nur wegen den geringeren Platzbedarf große Vorteile. Auch das Fehlen der meist eisenhaltigen, langen Anschlussdrähte ist von Vorteil. Auch das Layout selber ist, wenn durchdacht, immer besser. Es führt zu kürzeren Wegen und einer besseren Leiterbahnführung!
Ein weiterer Vorteil der SMD-Technik: Die Löttemperaturen werden vom programmierten Lötofen vorgegeben und sind auf ein optimales Lötergebnis bei minimaler Bauteilbelastung eingestellt und geregelt.
Wir haben die Option der getrennten Betriebsspannung genutzt und beide Verstärkerstufen getrennt mit je einem Kondensator geblockt!
Wie hier bei der Studer A80 Reproduce-Leiterplatte passt alles zu 100%. Überall da wo das Original-Hybrid-Modul verbaut ist, passt auch unsere Ersatzschaltung, keine Bauteile müssen verbogen werden, das Rauschen wird minimiert. Die zweireihige Stiftleiste sorgt für einen stabilen mechanischen halt der Leiterplatten.
rauscharm!
BC557
seit wann?
Ein weiterer Anbieter bietet eine Version mit rauscharme Transistoren an, bestückt aber die BC557 in der Eingangsstufe! Das sind keine rauscharme Transistoren. Die Derivate BC549 oder BC550 sind rauscharm!
Wir haben noch nie soviel Blödsinn gelesen und gesehen, dass wir uns entschieden haben, hier gegenzusteuern!
Weitere Informationen zu Differenzverstärker, Stromspiegel und Stromquellen finden Sie im Standardwerk Halbleiter-Schaltungstechnik von Tietze-Schenk-Gamm:
Stromquellen und Stromspiegel finden Sie ab Seite 287 und ab Seite 339 folgt dann der Differenzverstärker!
Studer A101 in unserem Shop
Hier finden Sie das Hybrid-Verstärker-Modul Studer A101 für Studer A62, B62, A80 Studer -Mischpulte und so weiter.






