Input board for all Studer Revox B77
1.177.223-25 New development
The circuitry has remained the same. Revox has already done a fantastic job!
Nevertheless, some optimizations have been made here as well.
Nevertheless, some optimizations have been made here as well.
First, the modified input voltage divider of the first transistor stage is worth mentioning. A clean base bias is particularly important for very small input signals. Naturally, the bypasses are present, the buffering of the amplifier stages and channels is separate, and where possible, we dispense with
Premium-Hifi likes electrolytic capacitors.
the technology
The circuit
Base voltage divider
We at Premium-Hifi have redesigned the base voltage divider at the input. A stable, clean base voltage is particularly important for very small input signals. We split the upper resistor into 82 kOhm and 100 kOhm and filtered it with an additional capacitor. When we do something new, we do it right! Why Revox didn't do this sooner is truly a mystery to us. Two more components would have always worked!
the new input board
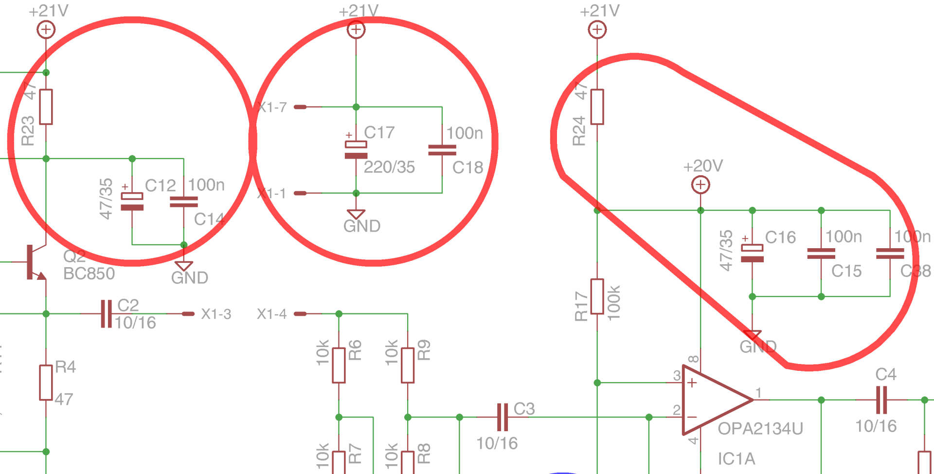
The new circuit board also offers a lot of open space. There are hardly any differences in terms of design, and the circuitry has also remained the same. Only the power supply has been significantly optimized. Each circuit board has a backup capacitor. An LED indicates the presence of operating voltage.
All amplifiers essentially have their own dedicated power source. The current doesn't have to travel from a distant power supply through additional wires, circuit paths, and various solder joints, but is immediately available to the consumer.
Comparison
No calibration is required! You can replace the circuit board 1:1. To do so, loosen the four screws on the rear of the case and carefully pry the tape machine forward out of the case. Unscrew and remove the shielding plate using two screws. Now unplug the old input board and plug in the new input board.
CAUTION! Never place the tape machine on its front!
New input board from Premium-Hifi
We've utilized every technical possibility to ensure the best possible audio signal without distortion. Even though the tape is the biggest limitation, a poor input signal can't be recorded well!
if you want the best!
brand new input pcb
1.177.223-25
for all Studer Revox B77 you can find in our shop








