Tape Move Sensorfor all Revox B77 and PR99 MK I
1.177.321-23 optical scanning
For repairs, we've always used old stock. A loose coil on the old circuit board can be glued. Other repairs have been completed by replacing individual components or the entire board.
With the new tape move sensor, there is no coil, no oscillating circuit, and we are ready for the future!
the technology
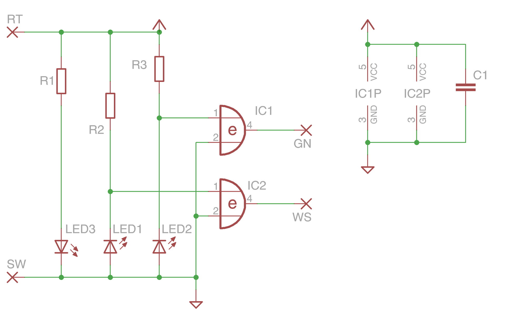
The circuit
Reflector
This reflector film is required for the optical scanning to function. You will receive a matching, self-adhesive, die-cut film with each new tape move sensor. Clean the motor before applying it. Nothing else is required. If you stick the black surfaces over the three openings on the motor, you can trim the openings freely—but this is not necessary. The openings are not for cooling.
Tape Move Sensor from Premium-Hifi
Tape Move Sensor with optical scanning of Premium HiFi
if you want the best!
the new tape move sensor
1.177.321-23
for all Revox B77 and PR99 MK I can be found in our shop






