Filter amplifier for all B750
Plug and Play
Even with the new filter amplifier (filter amp) of the Revox B750, almost everything has remained the same! No, only the circuitry has remained the same after almost 50 years! A development for eternity. Here you know that even 50 years from now, repairs will still be possible. We don't want to change that with the new circuit board.
Optimizations
careful as always
We've only carefully optimized the circuit's components. As with all our new developments, the two diodes are replaced by an LED, and the resulting current is adjusted by changing the resistance. Where possible, we've dispensed with electrolytic capacitors in the signal path; the power supply is buffered separately for each channel, and wide, 70 µm-thick conductor tracks are used. All capacitors in the signal path that couldn't be completely replaced with film capacitors are fitted with high-quality film bypass capacitors.
The circuitry remains Revox, the improvements from Premium-Hifi!
The electronics
The circuit, the concept is original Revox

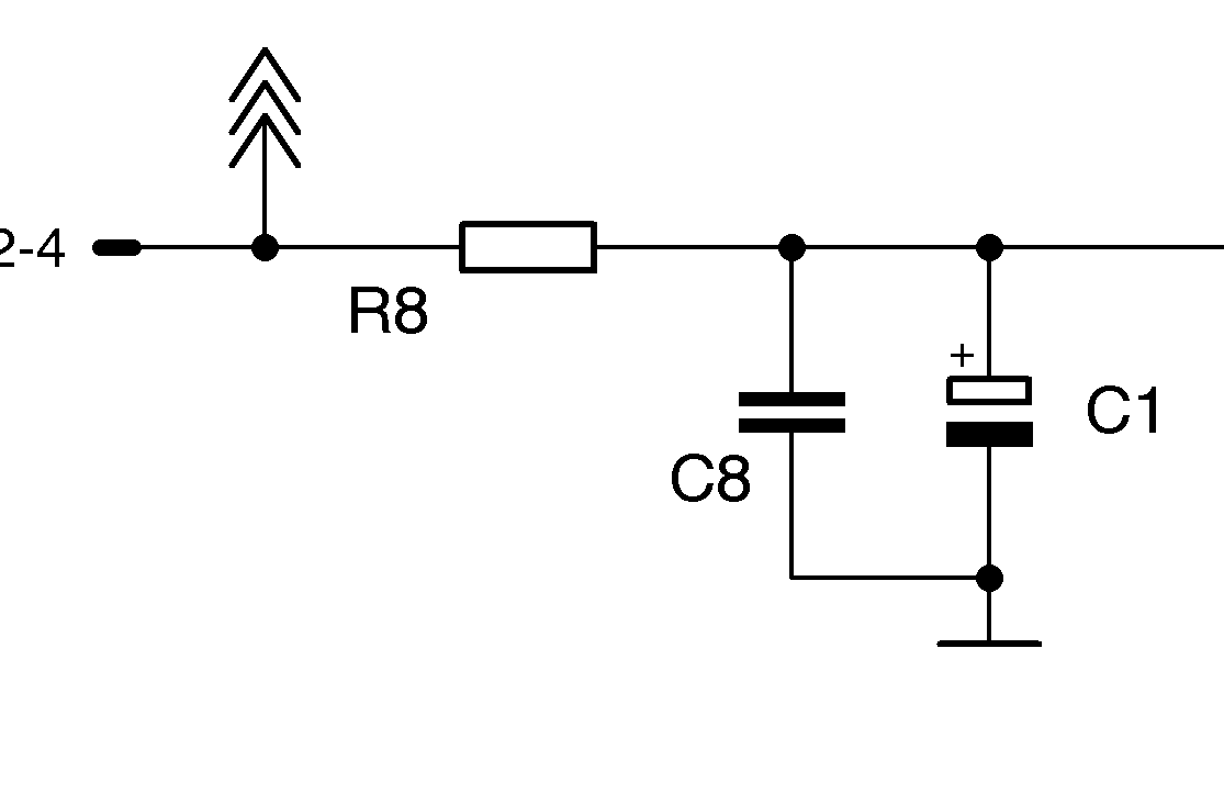
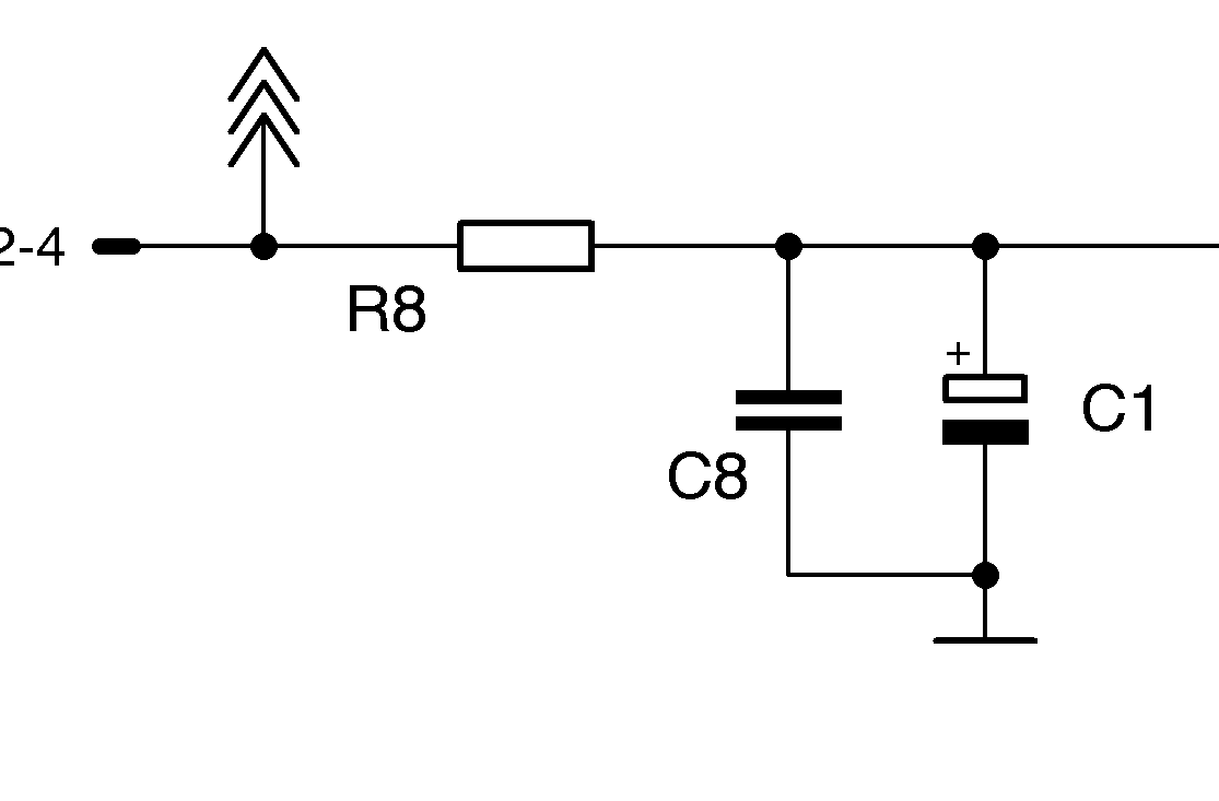
Circuit diagram
The underlying circuit is the original Revox design. Buffering for both channels and both voltages is separate. High-quality foil bypass capacitors are used for all electrolytic capacitors, as well as ceramic capacitors in the signal path. We also use an LED instead of two rectifier diodes.
Operating voltage
The plus-minus voltage is buffered separately for each channel. The circuit's current consumption is approximately 7 mA per channel. We dimensioned the electrolytic capacitors at 47 µF, three times larger than necessary! You must always keep an eye on the maximum capacitive load of the voltage regulators.
LED
Instead of two diodes in series, we prefer to use lower-noise LEDs. With a series resistor of 68 kOhm, the LED has a voltage drop of approximately 1.6 V instead of the 1.4 V for both diodes. Although the series resistor is quite large at 68 kOhm, the LEDs still glow well! The collector resistance must be recalculated.
The bypass capacitor
If we can't use film capacitors for the coupling capacitors, then film bypass capacitors are mandatory for us. Even if the coupling capacitors aren't electrolytic capacitors. Even the best COG ceramic capacitors aren't the best choice for audio applications. But they're still better than electrolytic capacitors!
All of this is already moving towards the “high-end”.
The layout
Conductor tracks
As is our custom, the circuit traces are very wide and 70 µm thick. The ground planes on the L side are also designed separately for each channel. Of course, we are also bound by the amplifier's specifications.

Filter Amplifier
for all Revox B750 you can find in our shop







